Odpojovač 220V pro periferie
Moderátoři: Marfy, Mods_senior, Mods_junior, HW spec team
Odpojovač 220V pro periferie
Vím sice co nych chtel najít ale nevím jak by se to mělo oficiálně jmenovat. Poprosil bych jestli by mě někdo mohl postřčit.
Jde o tohle ... Eletrika se pořád zdražuje a když vypneš PC pořád ti zůstává monitor v pohotovostním stavu a pokud zapomeneš vypnout bedinky tak je tam také jalová spotřeba, když máš PC vypnutý. Za krále klacka býval z pc vývod 220V připojený za vypínač v bedně PC pak tedy stačilo vypnout bednu a vypnul se ti i monitor a pokud si tam měl rozdvojku vypnul si i ostatní periferie (zesilovač, tiskárna a p.) Dneska už se to nedělá.
Tak sem přemýšlel jak to zrealizovat a napadlo mne že by stačilo síť spínat přes relé které by mělo cívku zapojenou na napájení z USB portu.
Teď několik dotazů na HW odborníky po SW vypnutí PC zůstává nadále zdroj PC v pohotovostním stavu jsou v tomto stavu USB porty napájeny i nadále nebo je to odpojí. Protože pukud jsou dále napájeny tudy by cesta nevedla. Potřebuji aby relátko odpadlo a vyplo již zmiňované periferie.
Další dotaz výrobci asi dobře vědí proč do zmiňovaných periferií zřizují pohotovostní napájení co to udělá například s klasickým monitorem zapínat ho od nuly. Víte abych si víc neublížil než ušetřil za jalovou spotřebu v pohotovostním stavu.
No a konečně nevíte někdo jestli by se něco takového nedalo sehnat už hotové.
No a pak mě ještě napadá kdybychom na relátko tedy jeho cívku přivedli startovací napětí např nějakým tlačítkem mohli bychom z pohotovostního stavu vypínat i zdroj v bedně PC ale opět nevím co by to udělalo se zdojem zapínat jej od nuly.
Pokud by to fungovalo mám vlastně ušetřeno za eletriku a ještě ochranu proti přepětí v síti protože pokud není PC zapnutý je vše odpojené.
Jsem velmi zvědav na vaše odpovědi a to i kritické.
Jde o tohle ... Eletrika se pořád zdražuje a když vypneš PC pořád ti zůstává monitor v pohotovostním stavu a pokud zapomeneš vypnout bedinky tak je tam také jalová spotřeba, když máš PC vypnutý. Za krále klacka býval z pc vývod 220V připojený za vypínač v bedně PC pak tedy stačilo vypnout bednu a vypnul se ti i monitor a pokud si tam měl rozdvojku vypnul si i ostatní periferie (zesilovač, tiskárna a p.) Dneska už se to nedělá.
Tak sem přemýšlel jak to zrealizovat a napadlo mne že by stačilo síť spínat přes relé které by mělo cívku zapojenou na napájení z USB portu.
Teď několik dotazů na HW odborníky po SW vypnutí PC zůstává nadále zdroj PC v pohotovostním stavu jsou v tomto stavu USB porty napájeny i nadále nebo je to odpojí. Protože pukud jsou dále napájeny tudy by cesta nevedla. Potřebuji aby relátko odpadlo a vyplo již zmiňované periferie.
Další dotaz výrobci asi dobře vědí proč do zmiňovaných periferií zřizují pohotovostní napájení co to udělá například s klasickým monitorem zapínat ho od nuly. Víte abych si víc neublížil než ušetřil za jalovou spotřebu v pohotovostním stavu.
No a konečně nevíte někdo jestli by se něco takového nedalo sehnat už hotové.
No a pak mě ještě napadá kdybychom na relátko tedy jeho cívku přivedli startovací napětí např nějakým tlačítkem mohli bychom z pohotovostního stavu vypínat i zdroj v bedně PC ale opět nevím co by to udělalo se zdojem zapínat jej od nuly.
Pokud by to fungovalo mám vlastně ušetřeno za eletriku a ještě ochranu proti přepětí v síti protože pokud není PC zapnutý je vše odpojené.
Jsem velmi zvědav na vaše odpovědi a to i kritické.
Jendův rozcestník (Odkazy, které jsem měl dříve v podpisu najdete v mém rozcestníku.) Jendovy novinky - Co je pro Vás odemne nového Pokud potřebujete mermomocí vědět na čem páchám PC kriminalitu sestavy jsou v profilu.
Na startech "od nuly" nevidím nic špatného, minimálně jednou za život se tak musí zapínat všechno
Navíc bych viděl pozitivum ve zvýšení životnosti zdrojů, respektive jejich elektrolytických kondenzátorů, které tím, že jsou trvale pod napětím zvolna vysychají. Pokud je zdroj trvale zapnutý, je to i se "suchými" elyty v poho. Problém nastane, když se pak vypne/zapne. To jsou ty odešlé zdroje a od nich spálené půlky počítačů. Proto vypínání zdrojů doporučuji, byť neprovádím
V zásadě je možné řešení jak jsi popsal, ale nepřipojoval bych relé přes USB, ale přímo z Molex-konektoru. Přeci jen ono relátko by mělo být trocho "macek", aby v pohodě zvládalo spínat alespoň 10A, nikdy totiž nevíš co ti do zásuvky narve manželka a už to hoří...
A cívky větších relé budou mít určitě větší proudový hlad, než na kolik je stavěný port USB.
V zapínání všeho na jedné prodlužovačce jedním tlačítkem by snad nemělo být moc problémů, napadá mě jen vypínání, ale i to by snad šlo levně vyřešit. Zkusím se dát do kreslení a výsledek ti sem přišpendlím.
V zásadě je možné řešení jak jsi popsal, ale nepřipojoval bych relé přes USB, ale přímo z Molex-konektoru. Přeci jen ono relátko by mělo být trocho "macek", aby v pohodě zvládalo spínat alespoň 10A, nikdy totiž nevíš co ti do zásuvky narve manželka a už to hoří...
V zapínání všeho na jedné prodlužovačce jedním tlačítkem by snad nemělo být moc problémů, napadá mě jen vypínání, ale i to by snad šlo levně vyřešit. Zkusím se dát do kreslení a výsledek ti sem přišpendlím.
Co nejde silou, jde ještě větší silou... 
Nevim přesně co teda chceš (byl to dlouhý článek), ale doma to mám takto: v zásuvce je připojená rozdvojka (tzv. jezevčík; má asi 5 zásuvek) a v ní mám zapojeno vše. A tato rozdvojka má vypínač, kterým se přeruší přívod elektřiny do jejích zásuvek. Takže když vypnu PC, vypnu i hlavní vypínač na té rozdvojce a všechno je 100 % vypnuto a má 0 odběr.
Toto řešení nemá chybu a je nejlevnější (ještě to jde zlevnit koupí psa bez vypínače a vytahovat to ze zásuvky), ale má své ale. Pokud pominu start počítače na dvoutakt (zapnout psa+start), tak musí být uživatel ještě natolik důsledný, aby vždy po volbě "vypnout počítač", počkal, až se vypne a vypnul psa. To já, nevím jak Honza, nejsem
Proto vymýšlím zapojení "start na jeden prst" a "vypne se to najednou", pokud možno za patnáct korun 
Co nejde silou, jde ještě větší silou... 
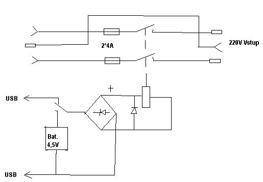
Rychle sem načrtl schéma a je v příloze snad to pro orientaci bude stačit.
Funguje to tak že podržíš tlačítko, relé přitáhne, zapneš PC po uvolnění tlačítka již relé drží z napětí USB.
Když dám ve woknech vypnout jakmile zmizí napětí na USB odpojí se od napětí vše včetně skříně PC už nikde nemusím nic vytahovat a kontrolovat na co sem zapoměl.
Usměrňovací můstek je tam aby to bylo více blbovzdorné a pro další odfiltrování spiček z relé.
Dioda přez cívku filtruje špičky z cívky, zpožduje odpad a tím filtruje zákmity na tlačítku.
POZOR JEŠTĚ JSTE MI NIKDO NEODPOVĚDĚL NA OTÁZKU ZDALI NEZŮSTÁVAJÍ USB NAPÁJENY I V POHOTOVOSTNÍM STAVU ZDROJE SKŘÍNĚ PC. Pak by to totiž nefungovalo.
Funguje to tak že podržíš tlačítko, relé přitáhne, zapneš PC po uvolnění tlačítka již relé drží z napětí USB.
Když dám ve woknech vypnout jakmile zmizí napětí na USB odpojí se od napětí vše včetně skříně PC už nikde nemusím nic vytahovat a kontrolovat na co sem zapoměl.
Usměrňovací můstek je tam aby to bylo více blbovzdorné a pro další odfiltrování spiček z relé.
Dioda přez cívku filtruje špičky z cívky, zpožduje odpad a tím filtruje zákmity na tlačítku.
POZOR JEŠTĚ JSTE MI NIKDO NEODPOVĚDĚL NA OTÁZKU ZDALI NEZŮSTÁVAJÍ USB NAPÁJENY I V POHOTOVOSTNÍM STAVU ZDROJE SKŘÍNĚ PC. Pak by to totiž nefungovalo.
Jendův rozcestník (Odkazy, které jsem měl dříve v podpisu najdete v mém rozcestníku.) Jendovy novinky - Co je pro Vás odemne nového Pokud potřebujete mermomocí vědět na čem páchám PC kriminalitu sestavy jsou v profilu.
Jedště jednou pokud by se to zapojilo z molexu třeba by si ustřih starý větrák z redukce k HD tak zas asi a to nevím jestli by to nebylo i u mnou navrhovaného zapojení budeme mít problém udržet mašinu v režimu spánku pak se totiž napětí na relé odpojit nesmí a nebo tem režim nesmíš použít.
Jendův rozcestník (Odkazy, které jsem měl dříve v podpisu najdete v mém rozcestníku.) Jendovy novinky - Co je pro Vás odemne nového Pokud potřebujete mermomocí vědět na čem páchám PC kriminalitu sestavy jsou v profilu.
Vydrž do zítřka, pak to sem dám. Nebude to zadarmo, ale bude to profiřešení, včetně oddělovacích optočlenů. Počítám, že se vejdu do kila. Ale nechci předbíhat, zatím mám vyřešenou část od sítě po zdroj a od zdroje po sepnutí napájení pro periférie, včetně jejich odpojení, při vypnutí počítače. Zatím ještě musím doklepnout start počítače. Spánek nebude nijak narušen.
Jinak máš v zapojení chybku. Když uvolníš přepínač, na krátký okamžik se přeruší napětí na cívku (dioda to nazachrání, ta je tam proti vniknutí naindukovaného napětí při odpojení cívky, zpátky do obvodu) a relé odpadne. Zachránilo by to použití nerozpojitelných kontaktů, ale s vyjímkou relé v telefonních ústřednách jsem je nikde neviděl. V tomto případě pustíš na krátkou chvíli do sebe 5V ze zdroje a 4.5V z baterky a to se baterce nebude ani trochu líbit Bude potřeba jí ošetřit diodou).
Jinak máš v zapojení chybku. Když uvolníš přepínač, na krátký okamžik se přeruší napětí na cívku (dioda to nazachrání, ta je tam proti vniknutí naindukovaného napětí při odpojení cívky, zpátky do obvodu) a relé odpadne. Zachránilo by to použití nerozpojitelných kontaktů, ale s vyjímkou relé v telefonních ústřednách jsem je nikde neviděl. V tomto případě pustíš na krátkou chvíli do sebe 5V ze zdroje a 4.5V z baterky a to se baterce nebude ani trochu líbit Bude potřeba jí ošetřit diodou).
Co nejde silou, jde ještě větší silou... 
Karlos pamatuj že v jednoduchosti je síla a mysli taky na ostatní aby to bylo realizovatelné i pro ty co umějí pájet jen trochu.
Nebo pak navrhni zapojení i s přepěťovou ochranou na vysoké profesionální úrovni a můžemejich pár zkusit nabastlit pro členy PC-helpu za rozumnou cenu pokud by byl zájem.
Jinak do toho mího zapojení k relátku přidat kondenzátor pro větší spoždění a jako tlačítko použít mikrospínač nebo jak si navrhoval ošetřit to diodou.
Nebo pak navrhni zapojení i s přepěťovou ochranou na vysoké profesionální úrovni a můžemejich pár zkusit nabastlit pro členy PC-helpu za rozumnou cenu pokud by byl zájem.
Jinak do toho mího zapojení k relátku přidat kondenzátor pro větší spoždění a jako tlačítko použít mikrospínač nebo jak si navrhoval ošetřit to diodou.
Jendův rozcestník (Odkazy, které jsem měl dříve v podpisu najdete v mém rozcestníku.) Jendovy novinky - Co je pro Vás odemne nového Pokud potřebujete mermomocí vědět na čem páchám PC kriminalitu sestavy jsou v profilu.
Pokud se chce pouštět do úprav počítače ten, kdo umí jen trochu pájet, pak by měl raději, s ohledem na svůj počítač, kupovat hotové komponenty. Zatím jsem se dostal se součástkami na cenu blížící se dvaceti korunám a myslím si, že jí ještě přibližně zdvojnásobím. Za chvíli sem dám obrázek a mažu domů (mám drahou činži, tak ať si jí užiju) 
Co nejde silou, jde ještě větší silou... 
Tak zatím jsem vypotil toto. Ještě si musím ošéfovat, jestli si triak nechá líbit zkrat na anodách pod napětím a vymyslet klopný obvod pro nastartování a sepnutí soft on/off. Ale to až zítra a jindy. 
Co nejde silou, jde ještě větší silou... 
Jsi si doufám vědom že skoro u všech PC periferií je na výstupu do sítě odrušovací člen tedy cívky a kondíky má dost velkou obavu aby si to ten triak nechal líbit. Další z čeho mám obavu je zpětný ráz z nabytého kondíku ve spotřebiči aby neměl tendenci zavírat.
Ten tranzistor a klopák nechápu buď mám 5V a přez optočlen je triak otevřen nebo je nemám a triak je zavřen.
Ten tranzistor a klopák nechápu buď mám 5V a přez optočlen je triak otevřen nebo je nemám a triak je zavřen.
Jendův rozcestník (Odkazy, které jsem měl dříve v podpisu najdete v mém rozcestníku.) Jendovy novinky - Co je pro Vás odemne nového Pokud potřebujete mermomocí vědět na čem páchám PC kriminalitu sestavy jsou v profilu.
- El Diablo
- Elite Level 11.5

- Příspěvky: 14099
- Registrován: 17 čer 2006 10:27
- Bydliště: In Hell
- Kontaktovat uživatele:
RTFM!!! UBCD - Ultimate Boot CD Zkusili jste to vypnout a zapnout? Aneb z PIO do DMA a zpět... :) * Jak provést Clear CMOS
Kdo se moc ptá, málo googlí. Doporučený freeware
i5 3570K, ASRock Z77 Extreme, 16GB Corsair, 120GB SSD Kingston +2TB Samsung, Gigabyte Radeon HD7870, Sharkoon ReX8VE, XL-747H
Kdo se moc ptá, málo googlí. Doporučený freeware
i5 3570K, ASRock Z77 Extreme, 16GB Corsair, 120GB SSD Kingston +2TB Samsung, Gigabyte Radeon HD7870, Sharkoon ReX8VE, XL-747H


