Jak správně vypočítat hodnoty součástek Buck convertoru?

Místo pro témata a příspěvky spadající MIMO počítačovou problematiku (tedy např. sport, zdraví, vtipy, škola...).

Moderátoři: Mods_senior, Mods_junior

Uziv00

Jak správně vypočítat hodnoty součástek Buck convertoru?

Příspěvek od Uziv00 »

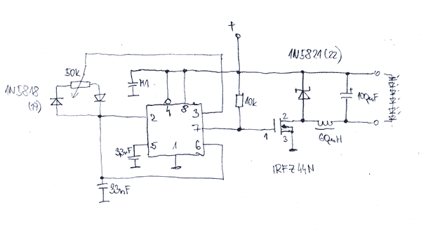
Ahoj, jedna otázka z elektroniky. Dával jsem si LED osvětlení na linku do kuchyně (pásek 12V). Trafo má 12V ef. Tedy za Graetzem je naprázdno 17V. Protože když už něco dělám, tak to má mít funkci navíc, tak jsem si udělal stívání pomocí PWM regulace s 555. Schéma jsem oskenoval (nutno si odmyslet buck converter). Všechno funguje, jen se mi moc nelíbí, že v podstatě čím menší světlo (tedy zátěž), tím vyšší napěťové pulsy LEDky dostávají. Navíc jsem se na internetu dočetl, že pouhé PWM snižuje účinnost LED.
Mame ledku, ktora pri 500mA svieti 150lumen a pri 1000mA svieti 250lumen. Kazdej ledke sa totiz znizuje efektivita so stupajucim prudom.
Ak taku ledku napojis na nejaky zdroj konstatneho prudu s vykonom 500mA, tak ledka bude svietit 150lumen. To chape kazdy.
Ale ak taku ledku budes napajat PWM s pulzami 1:1 o vyske 1000mA, tak v priemere do ledky pojde tiez prud 500mA, ale ledka bude svietit uz iba 250lumen/2=125lumen. Cize vdaka PWMku si stratil 25lumen.
Tak jsem pátral dál a našel jsem buck converter, který by mohl vyřešit oba problémy (cívka dioda a kondík za FETem). Princip je jednoduchý - během pulsu část energie vezme kondenzátor a část se naakumuluje do cívky, takže napětí nepřešvihne 12V, bez pulsu cívka energii odevzdá přes diodu do LEDek.
No a z toho plyne:
1. Jak spočítám hodnoty cívky a kondenzátoru ?
2. Budou závislé na kmitočtu PWM a v tom případě ideální kmitočet?
Prošel jsem kdeco a ty hodnoty, které tam mám jsou prostě opsané ze schemat co jsem různě objevil. Díky za rady.
Přílohy
PWM.gif
PWM.gif (8.36 KiB) Zobrazeno 396 x
guest

Re: Jak správně vypočítat hodnoty součástek Buck convertoru?

Příspěvek od guest »

OT/ Ty máš těžší otázky než ondoubek :lol:
Uziv00

Re: Jak správně vypočítat hodnoty součástek Buck convertoru?

Příspěvek od Uziv00 »

OT/ To bude asi tím, že jsem starší :lol:
Uživatelský avatar
Pic
Guru Level 13
Guru Level 13
Příspěvky: 23292
Registrován: 05 zář 2006 13:13
Bydliště: Východní Čechy

Re: Jak správně vypočítat hodnoty součástek Buck convertoru?

Příspěvek od Pic »

No zajímavý problém. Spočítat se to určitě dá, ale jak nevím. Asi bych připojil na výstupní napětí, paralelně k ledkám, osciloskop a snažil se to postupnou obměnou kondenzátoru a cívky, případně kmitočtu nastavit na co nejlepší parametry.
Přečti si pravidla tohoto fóra! Přečetl jsi si nejprve manuál? Piš tak, abychom Ti rozuměli! Na SZ neodpovídám na požadavky řešení Vašich problémů s PC!
Nic není dokonalé, ani člověk!
guest

Re: Jak správně vypočítat hodnoty součástek Buck convertoru?

Příspěvek od guest »

Já to vůbec nepochopil. O co tedy jde? Bojíš e kratší životnosti LED?
Uziv00

Re: Jak správně vypočítat hodnoty součástek Buck convertoru?

Příspěvek od Uziv00 »

To: Pic - asi to tak nakonec dopadne.
To: BS - když já už jsem takovej :D Prostě všechno musí být dokonalé. Navíc je mi líto chudinek LEDek, který dostávají špičky..
A ještě jedna věc - když by se to vyladilo, tak by to mohlo fungovat jako téměř bezztrátový stabilizátor, což by při větších proudech byl docela mazec...
Uziv00

Re: Jak správně vypočítat hodnoty součástek Buck convertoru?

Příspěvek od Uziv00 »

/A tak jaá to ještě naposledy upnu...
guest

Re: Jak správně vypočítat hodnoty součástek Buck convertoru?

Příspěvek od guest »

1. Jak spočítám hodnoty cívky a kondenzátoru ?
2. Budou závislé na kmitočtu PWM a v tom případě ideální kmitočet?
Já si naopak myslím že to spočítat nejde, alespoň tedy nevím z čeho ten vzorec sestavit. Také si myslím, že to dopadne metodou pokus/omyl se sledováním osciloskopu.
Uziv00

Re: Jak správně vypočítat hodnoty součástek Buck convertoru?

Příspěvek od Uziv00 »

Heuréka! Kukněte zde: http://www.ti.com/tool/buck-convcalc
Nechápu jak je možné, že jsem tohle neobjevil při svém pátrání a že jsem to našel až teď...
Nechám ještě chvíli odemčeno, kdyby někdo z vás potřeboval.
guest

Re: Jak správně vypočítat hodnoty součástek Buck convertoru?

Příspěvek od guest »

Inu kdo hledá najde, tedy gratulace. :smile: Zamykat to ale nemusíš, ještě se později můžeš podělit o zkušenosti.
Odpovědět

Zpět na „Vše ostatní (Off topic)“