4. bitová sčítačka binárních čísel
Moderátoři: Mods_senior, Mods_junior
-
Marwvek
- Level 3.5

- Příspěvky: 697
- Registrován: 09 srp 2009 12:23
- Bydliště: Tachov
- Kontaktovat uživatele:
4. bitová sčítačka binárních čísel
dobry den, potrebuji udelat scítacku 4x4 binárních cisel, ne program ale normalne na dps se svabem a 7mi segmentovými displeji, vsechno je na obrazku, mam vyresene dyspleje se spinaci ale nemuzu prijit na to jak zapojit výstup z citacky, potrebuji aby se ukazovalo bud 1 nebo nula
Re: 4. bitoví sčítařka binárních čísel
Něco takové?
Zapojení 7-segmentovky neber doslovně, takto by při 0, ukazovala 8 a při 1 nějaký paskvil...
Zapojení 7-segmentovky neber doslovně, takto by při 0, ukazovala 8 a při 1 nějaký paskvil...
- Přílohy
-
- I-O.jpg (5.17 KiB) Zobrazeno 1635 x
Co nejde silou, jde ještě větší silou... 
- Speed_dead
- Level 6

- Příspěvky: 3288
- Registrován: 13 dub 2010 10:33
- Bydliště: Praha
- Kontaktovat uživatele:
Re: 4. bitová sčítačka binárních čísel
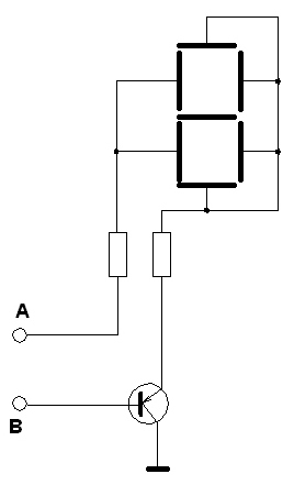
Já jako neelektrikář, ale do elektriky fušující bych to zkusil udělat takto:
A - trvalé napětí
B - výstup z čítače
Edit: Případně nahradit NPN tranzistor invertorem možná posílený PNP tranzistorem. (nebo PNP NPN?) Nevím zda invertor zvládne rozsvítit 4 segmenty.
A - trvalé napětí
B - výstup z čítače
Edit: Případně nahradit NPN tranzistor invertorem možná posílený PNP tranzistorem. (nebo PNP NPN?) Nevím zda invertor zvládne rozsvítit 4 segmenty.
Naposledy upravil(a) Speed_dead dne 01 čer 2011 14:21, celkem upraveno 1 x.
Google ví skoro vše. Ale někdy je problém co tam napsat, aby to našlo to, co hledám.
Pokud se to nepovede, vypadne tuna nepoužitelných odkazů a nebo taky nic.
Pokud se to nepovede, vypadne tuna nepoužitelných odkazů a nebo taky nic.
-
Marwvek
- Level 3.5

- Příspěvky: 697
- Registrován: 09 srp 2009 12:23
- Bydliště: Tachov
- Kontaktovat uživatele:
Re: 4. bitová sčítačka binárních čísel
ten prispevek pred timto je dobry akorat obraceny, kdyz ze z vystupu z citace signal tak potrebuji jen 1ku taky by se rozsvitila 0 kdyz by sel signal, a ten prispevek jeste pred tim zkusim
tak se omlouvam, prehlidl jsem dolejsek obrazku, zkusim
--- Doplnění předchozího příspěvku (01 Čer 2011 14:17) ---
tak fungovat to asi bude akorat bych potreboval tym toho pnp
tak se omlouvam, prehlidl jsem dolejsek obrazku, zkusim
--- Doplnění předchozího příspěvku (01 Čer 2011 14:17) ---
tak fungovat to asi bude akorat bych potreboval tym toho pnp
Re: 4. bitová sčítačka binárních čísel
Dej tam obyčejný TTL invertor (z hlavy 7403? 7404?...) a máš po starostech. Aby ti to fungovalo s PNP tranzistorem, musel bys nastavit odpory pracovní bod báze.
Co nejde silou, jde ještě větší silou... 
-
Marwvek
- Level 3.5

- Příspěvky: 697
- Registrován: 09 srp 2009 12:23
- Bydliště: Tachov
- Kontaktovat uživatele:
Re: 4. bitová sčítačka binárních čísel
muze pripblizne nakreslit schema, nejak mi to neleze do hlavy, a take bych byl rad aby se soucastka dala sehnat normalne v obchode nebo na internetu
Re: 4. bitová sčítačka binárních čísel
Schéma s invertorem jsem ti již nakreslil. Pouze vypustíš první diodu a segmenty kreslící I, zapojíš na +. Druhou diodu také vypustíš a třetí můžeš nahradit přímým vodičem. Koupit se dá třeba zde, za směšných pár korun. Pamatuji doby, kdy byl tento šváb těžko k dostání a stál několik desítek korun. A že to byla tenkrát nějaká cena... 
Co nejde silou, jde ještě větší silou... 
-
Marwvek
- Level 3.5

- Příspěvky: 697
- Registrován: 09 srp 2009 12:23
- Bydliště: Tachov
- Kontaktovat uživatele:
Re: 4. bitová sčítačka binárních čísel
tak uz jsem to konecne pochopil a zapojil v multisimu akorat doufam ze simuluje spatne protoze ta nula problikava rychle ale problykava, nebude to tak i v skutecnosti?
Re: 4. bitová sčítačka binárních čísel
Bohužel svým esemeskovým projevem, navíc plným pravopisných chyb, budíš dojem komunikace s Tatarem, takže mi momentálně uniká smysl tvé poslední repliky 
Co nejde silou, jde ještě větší silou... 
- Speed_dead
- Level 6

- Příspěvky: 3288
- Registrován: 13 dub 2010 10:33
- Bydliště: Praha
- Kontaktovat uživatele:
Re: 4. bitová sčítačka binárních čísel
Toto zapojení bude ukazovat aktuální okamžitý stav výstupu čítače. Pokud se hodnoty na výstupu budou rychle měnit, tak displej bude blikat, v případě velmi rychlý změn to půjde až do extrému, že 1 bude svítit a zbylé segmenty do nuly také, ale slaběji. Takže tento typ zobrazení bude použitelný v případě několik změn za sekundu. V případě, že změny budou rychlejší jak cca 15x za sekundu, displej bude blikat a nad cca 30x za sekundu, na displeji nic rozumnýho nevyčtěš, jelikož bude svítit stále výše popsaným způsobem.
Moje oblíbené obchody, kde nejčastěji nakupuji je GME a GES.
Moje oblíbené obchody, kde nejčastěji nakupuji je GME a GES.
Google ví skoro vše. Ale někdy je problém co tam napsat, aby to našlo to, co hledám.
Pokud se to nepovede, vypadne tuna nepoužitelných odkazů a nebo taky nic.
Pokud se to nepovede, vypadne tuna nepoužitelných odkazů a nebo taky nic.
Re: 4. bitová sčítačka binárních čísel
Konečně jsem pochopil, co jsi kde zapojil. Máš stoprocentní jistotu, že je vše zapojené tak, jak má být? Máš opravdu správně vybrané součástky? Podle všeho zatím v TTL plaveš a tak je chybka více než možná. Třeba jen taková prkotina, jako třístavové vstupy/výstupy, může pěkně zavařit... 
Co nejde silou, jde ještě větší silou... 
-
Marwvek
- Level 3.5

- Příspěvky: 697
- Registrován: 09 srp 2009 12:23
- Bydliště: Tachov
- Kontaktovat uživatele:
Re: 4. bitová sčítačka binárních čísel
jj zatim v ttl plavu, soucastky jsem zatim nekupoval zatim delam jen navrhy v multisimu, poslu zapojeni
-
- Podobná témata
- Odpovědi
- Zobrazení
- Poslední příspěvek
-
- 1 Odpovědi
- 3644 Zobrazení
-
Poslední příspěvek od petr22

